霍爾調節型超小背景抑制光電O200(預定)
+ 查看更多
★★★★★
分享到:
咨詢電話:0592-6773016
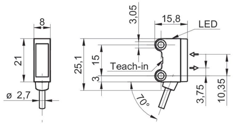
專用IC設計,磁感應式距離調節,背景抑制型,不受檢測物體顏色影響,超小尺寸,適用于狹小空間。
1、采用專用IC設計,放大器內置型
2、霍爾式距離自動調節
3、背景抑制型,不受檢測物體顏色影響
4、亮動、暗動可選
5、電源反接保護,輸出過載保護,輸出逆接保護
型號
| NPN亮動 | O200-BGS50NL-6X | O200-BGS100NL-6X | O200-BGS100NLT-6X |
NPN暗動 |
O200-BGS50ND-6X | O200-BGS100ND-6X | O200-BGS100NDT-6X | |
檢測方式
|
背景抑制 | |||
調節距離
|
5~50mm | 5~100mm | ||
標準檢測物 |
200*200mm白紙 | |||
距離調節 | —— | 霍爾調節 | ||
盲區 |
5mm | |||
黑白誤差 | 0.5mm | 1mm | 1mm | |
光源
|
紅光(小光斑) | |||
電源 | 10~24VDC(電壓波動(P-P)10%以下) | |||
消耗電流
|
15mA(不包括負載) | |||
負載電流
|
100mA以下 | |||
回路保護
|
電源反接保護、輸出短路保護、輸出反接保護
| |||
動作指示
|
動作指示燈(紅色) 、穩定指示燈(綠色)
| |||
響應時間
|
5ms
| |||
環境照度 | 太陽光:10,000lx;白熾燈:3,000lx | |||
環境溫度 | 動作時:-20~+55℃,保存時:-25~+65℃(不結冰、不結露) | |||
環境濕度 | 動作時:35~85%RH,保存時:35~95%RH(不結露) | |||
防護等級 | IEC IP65 | |||
連接方式 | 導線引出式 | |||
線色定義 | 棕:電源,藍:地,黑:輸出 | |||
材質 | 外殼:PBT,透鏡:PMMA | |||
質量 | 約30g | |||

調節方法:
磁性物體靠近感應區域2秒以上,紅綠燈同時閃爍時移開磁性物體,傳感器進入背景識別狀態(綠燈閃爍),綠燈常亮時
識別完成,傳感器進入工作狀態。
磁性物體靠近感應區域2秒以上,紅綠燈同時閃爍時移開磁性物體,傳感器進入背景識別狀態(綠燈閃爍),綠燈常亮時
識別完成,傳感器進入工作狀態。
NPN集電極開路輸出

PNP集電極開路輸出



