1、基于三角測距原理的背景抑制傳感器
2、按鍵式距離自動調節
3、采用專用IC設計,放大器內置
4、雙指示燈自診斷功能
5、電源反接保護、輸出短路保護、輸出反接保護
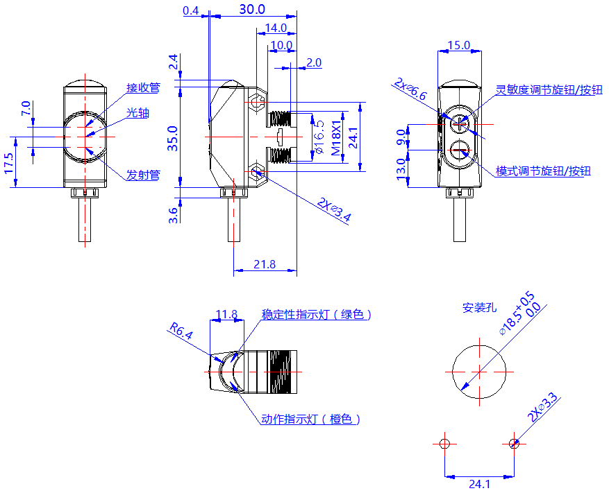
型號
| NPN | E3Z-T-BGS150NST |
| PNP | E3Z-T-BGS150PST | |
檢測方式
|
背景抑制型 | |
檢測距離
| 黑色被測物 |
10~150mm (紅光)/ 10~200mm(紅外) |
| 白色被測物 | 10~200mm | |
| 設定范圍 | 35~200mm | |
標準檢測物 |
100*100mm白紙 | |
| 距離調節方式 | 按鍵調節 | |
盲區 |
10mm | |
| 黑白誤差 | 設定距離10%以下 | |
光源
|
紅光/紅外 | |
| 電源 | 10~24VDC(電壓波動(P-P)10%以下) | |
消耗電流
|
25mA(不包括負載) | |
負載電流
|
100mA以下 | |
回路保護
|
電源反接保護、輸出短路保護、輸出反接保護 | |
動作指示
|
動作指示燈(橙色)、穩定指示燈(綠色) | |
響應時間
|
5ms | |
| 動作模式 | 亮動或暗動可切換 | |
| 環境照度 | 太陽光:10,000lx;白熾燈:3,000lx | |
| 環境溫度 | 動作時:-20~+55℃,保存時:-25~+65℃(不結冰、不結露) | |
| 環境濕度 | 動作時:35~85%RH,保存時:35~95%RH(不結露) | |
| 防護等級 | IEC IP65 | |
| 連接方式 | 導線引出式 | |
| 線色定義 | 棕:電源,藍:地,黑:輸出 | |
| 材質 | 外殼:PBT,透鏡:PMMA | |
| 質量 | 約50g | |

NPN輸出


PNP輸出



